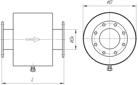
| Обозначение | Мощность, кВт | Габаритные размеры и Присоединительные размеры | ||||
| L, мм | D, мм | Dn, мм | Dy, мм/дюйм | Масса, кг | ||
| ИГ.100 | 80 — 120 | 370 | 300 | 108 | 100 / 4 | 15 |
| ИГ.150 | 120 — 200 | 450 | 350 | 133 | 125 / 5 | 25 |
| ИГ.300 | 200 — 400 | 500 | 450 | 159 | 150 / 6 | 35 |
| ИГ.500 | 400 — 600 | 650 | 550 | 219 | 200 / 8 | 50 |
| ИГ.700 | 600 — 800 | 800 | 650 | 273 | 250 / 10 | 75 |
| ИГ.1000 | 800 — 1200 | 1000 | 700 | 325 | 300 / 12 | 125 |
| ИГ.1400 | 1200 — 1600 | 1150 | 800 | 377 | 350 / 14 | 170 |
| ИГ.1700 | 1600 — 1800 | 1250 | 900 | 426 | 400 / 16 | 210 |
| ИГ.2000 | 1800 — 2200 | 1550 | 1000 | 530 | 500 / 20 | 235 |
| ИГ.3000 | 2800 — 3200 | 1750 | 1200 | 630 | 600 / 24 | 315 |
Искрогаситель – это устройство (согласно ГОСТ Р 53323-2009), обеспечивающее улавливание и тушение искр в продуктах горения, образующихся при работе двигателей внутреннего сгорания. Искрогасители устанавливаются на выхлопной тракт различных транспортных средств, силовых агрегатов и установок. Искрогасители марки ИГС-28129-ЭЭТ широко применяются на объектах газо- и нефтедобывающих предприятий, а также на территориях хранения горюче-смазочных, лакокрасочных и других легковоспламеняющихся материалов предприятий различных отраслей промышленности.
В зависимости от области применения, эксплуатационных параметров и требований искрогасители изготавливаются из углеродистой стали (09Г2С; 3; 08пс; 20 и др.) или из нержавеющей 08Х18Н10 (AISI304); 08Х18Н10Т (AISI321); 03Х17Н14М3 (AISI 316L) и др.
Конструкция искрогасителя обеспечивает очистку выхлопных газов от искр под действием сил тяжести и инерции, фильтрацией через пористые перегородки, а также исключает возможность замерзания воды при отрицательных температурах окружающей среды.
Для удобства и быстроты установки искрогасители ИСГ-ЭЭТ могут изготавливаться с различным монтажным комплектом (для монтажа с помощью фланцев/хомутов/сварки).